Descrizione prodotto
Dettagli
COMUNELLO GATE DIVISION
Art. 402
Cod. FC-6552
IMPIEGO: Cerniera a saldare per ante in acciaio.
TIPO: Cerniera a 2 ali con perno sfilabile.
FISSAGGIO: A saldare su telaio in acciaio.
MATERIALE: Acciaio.
RICICLO: Smaltire come materiale ferroso secondo le leggi vigenti nel paese di installazione.
AVVERTENZE: Il costruttore si riserva di modificare senza preavviso le caratteristiche del prodotto secondo le proprie esigenze.
Il costruttore non risponde di modifiche anche parziali del prodotto e le prestazioni dichiarate sono valide solo se si seguono le modalità di installazione eseguite da personale qualificato.
| CARATTERISTICHE TECNICHE | |||||
|---|---|---|---|---|---|
| 402-60 | 402-80 | 402-100 | 402-120 | 402-140 | |
| PESO PEZZO | 0,04Kg | 0,08Kg | 0,12Kg | 0,19Kg | 0,24Kg |
| PORTATA (P) L/H=1 |
150Kg (coppia di 402-60) |
200Kg (coppia di 402-80) |
300Kg (coppia di 402-100) |
350Kg (coppia di 402-120) |
450Kg (coppia di 402-140) |
| CADENZA MANUTENZIONI | |||||
| CASA PRIVATA |
AZIENDA | MAGAZZINO | CONDOMINIO <20 UNITÀ |
CONDOMINIO >20 UNITÀ |
|
| 1 ANNI* | 1 ANNI* | 1 ANNI* | 6 MESI* | 6 MESI* | |
| Verificare l'usura del perno e della rondella. | |||||
| Verificare le saldature e l'orizzontalità dell'anta. | |||||
| *Lo schema riportato è relativo ad un ambiente di lavoro normale. (non ambiente marino o particolarmente aggressivo.) |
|||||
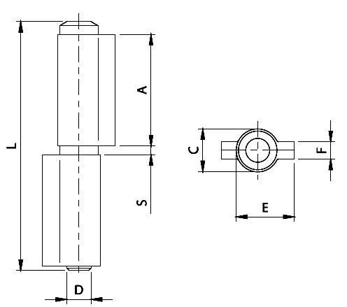
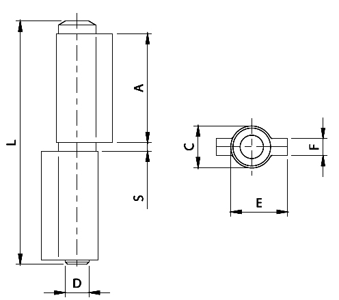
| Art. | Codice | A | C | D | E | F | L | S | PORTATA COPPIA Kg |
|---|---|---|---|---|---|---|---|---|---|
| 402-60 | FC-6552-60 | 26 | 10 | Ø5,7 | 13,5 | 4 | 58 | 2 | 150 |
| 402-80 | FC-6552-80 | 38 | 12 | Ø7,7 | 16,5 | 4 | 83 | 2,5 | 200 |
| 402-100 | FC-6552-100 | 48 | 13 | Ø8,7 | 17,5 | 4 | 104 | 2,5 | 300 |
| 402-120 | FC-6552-120 | 57 | 15,3 | Ø9,8 | 21 | 5 | 122 | 2,5 | 350 |
| 402-140 | FC-6552-140 | 68 | 16 | Ø10,7 | 21,5 | 5 | 144 | 2,5 | 450 |
ISTRUZIONI PER IL MONTAGGIO:
Ulteriori informazioni
Ulteriori informazioni
| Codice | FC-6552 |
|---|---|
| Codice a Barre EAN | Non applicabile |
| Produttore | Comunello |



